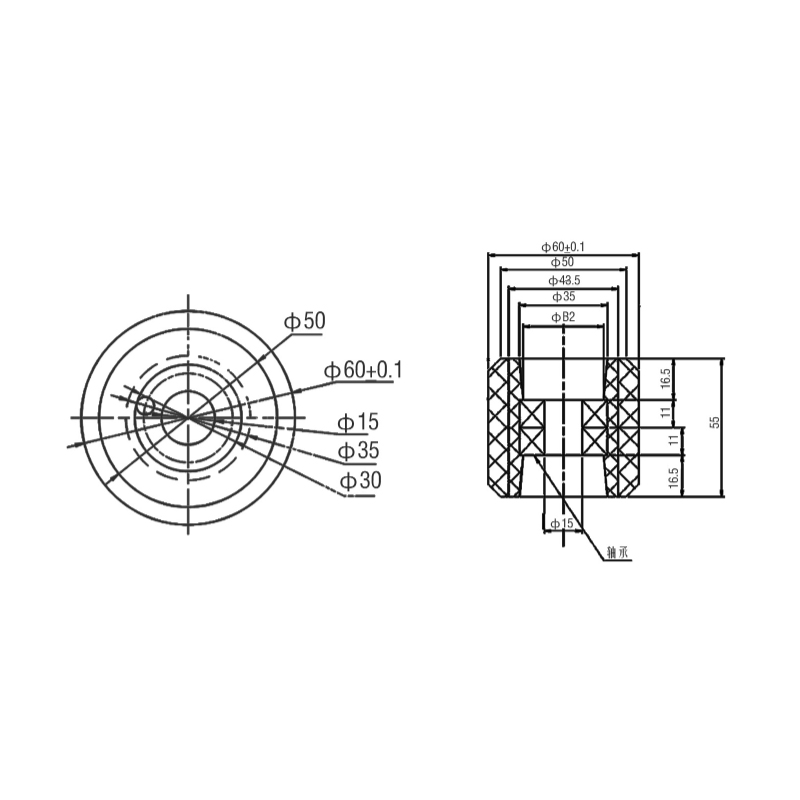
Das Andruckrollenprodukt hat einen Durchmesser von 60 mm und eine Höhe von 55 mm. Es ist mit 6202-Lagern ausgestattet. Dieses Lagermodell verfügt über eine hohe Tragfähigkeit und Drehzahl und eignet sich für Anwendungsszenarien von Rolltreppenrollen. Durch die Verwendung von CPU (einem Hochleistungskunststoffmaterial) können stabile physikalische und chemische Eigenschaften über einen langen Zeitraum aufrechterhalten und die Lebensdauer der Walzen verlängert werden; Für die Rollen werden hochwertige Lager und Materialien verwendet, die eine hohe Tragfähigkeit aufweisen und den Anforderungen unterschiedlicher Belastungen der Rolltreppe gerecht werden können. Betriebsanforderungen unter den gegebenen Bedingungen.

